PLC 的编程方法大体上有5种:经验法、解析法、图解法、技巧法及计算机辅助设计法。
常见的主要有3种方法:梯形图法、波形图法及流程图法。
梯形图法是最基本的方法。无论是经验法,还是解析法,若用梯形图编写PLC程序,就要用到梯形图法。
波形图法很适合于时序控制电路。它先把对应信号的波形画出,再根据时间用逻辑关系去组合,就可以很容易地把电路设计出来。
流程图法是用框图来表示PLC程序的执行过程及输入条件与输出间的关系。在步进控制中,用它进行设计是很方便的。
总结以上5种编程方法是不能截然分开的。如经验法、解析法、技巧法都要用到图解法,而技巧法又是经验法的升华。
PLC常见的输入设备有按钮、行程开关、接近开关、转换开关、拨码器、各种传感器等,输出设备有继电器、接触器、电磁阀等。正确地连接输入和输出电路,是保证PLC安全可靠工作的前提。

▲图1 PLC与主令电器类输入设备的连接

▲图2 旋转编码器与PLC的连接
如图2所示是输出两相脉冲的旋转编码器与FX系列PLC的连接示意图。编码器有4条引线,其中2条是脉冲输出线,1条是COM端线,1条是电源线。编码器的电源可以是外接电源,也可直接使用PLC的DC24V电源。电源“-”端要与编码器的COM端连接,“+ ”与编码器的电源端连接。编码器的COM端与PLC输入COM端连接,A、B两相脉冲输出线直接与PLC的输入端连接,连接时要注意PLC输入的响应时间。有的旋转编码器还有一条屏蔽线,使用时要将屏蔽线接地。

式中:I为传感器的漏电流(mA),UOFF为PLC输入电压低电平的上限值(V),RC为PLC的输入阻抗(KΩ),RC的值根据输入点不同有差异。

▲图4 一位拨码开关的示意图
如图5所示,4位拨码开关组装在一起,把各位拨码开关的COM端连在一起,接在PLC输入侧的COM端子上。每位拨码开关的4条数据线按一定顺序接在PLC的4个输入点上。由图可见,使用拨码开关要占用许多PLC 输入点,所以不是十分必要的场合,一般不要采用这种方法。

▲图5 4位拨码开关与PLC的连接

▲图6 PLC与输出设备的连接

▲图7 PLC与感性输出设备的连接
图中,续流二极管可选用额定电流为1A、额定电压大于电源电压的3倍;电阻值可取50~120Ω,电容值可取0.1~0.47μF,电容的额定电压应大于电源的峰值电压。接线时要注意续流二极管的极性。

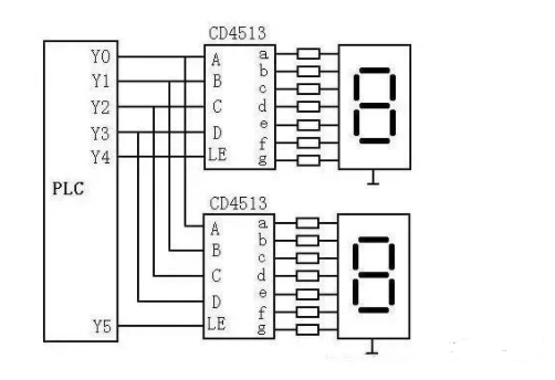
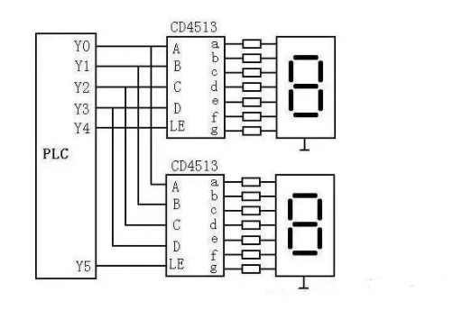
▲图8 PLC与两位七段LED灯显示器的连接
如图8所示,电路中,采用具有锁存、译码、驱动功能的芯片CD4513驱动共阴极LED七段显示器,两只CD4513的数据输入端A~D共用PLC的4个输出端,其中A为最低位,D为最高位。LE是锁存使能输入端,在LE信号的上升沿将数据输入端输入的BCD数锁存在片内的寄存器中,并将该数译码后显示出来。如果输入的不是十进制数,显示器熄灭。LE为高电平时,显示的数不受数据输入信号的影响。显然,N个显示器占用的输出点数为P=4+N。
如果PLC使用继电器输出模块,应在与CD4513相连的PLC各输出端接一下拉电阻,以避免在输出继电器的触点断开时CD4513的输入端悬空。PLC输出继电器的状态变化时,其触点可能抖动,因此应先送数据输出信号,待该信号稳定后,再用LE信号的上升沿将数据锁存进CD4513。
原创文章,作者:guozi,如若转载,请注明出处:https://www.sudun.com/ask/88235.html